← Back to Dashboard

2.4 Boolean Logic

GCSE Computer Science (J277)

1. A truth table can be produced for a logic circuit.
a) Describe the purpose of a truth table.
[2]
Login to save your answers
/ 2
b) State how many rows (excluding any headings) would be required in a truth table for the logic expression:
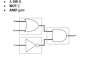
P = (A OR B) AND NOT C
[1]
Login to save your answers
/ 1
2. Complete the Truth Table for P = (A OR B) AND NOT C
[4]
A B C P
/ 4
3. A fast food restaurant offers half-price meals if the customer is a student or has a discount card.
The offer is not valid on Saturdays. A computer system is used to identify whether the customer can have a half-price meal. The table identifies the three inputs to the computer system. Draw the logic circuit for P = (A OR B) AND NOT C
[3]
Question Image

Scenario: The logic system P = (A OR B) AND NOT C is used. Draw the logic circuit.

Gates: Drag to position them on the canvas.
Connections: Click and drag from output points (right/label right) to input points (left/label left).
/ 3
Please login to save your answers and marks.